Dane techniczne
- Powierzchnia użytkowa 231.57 m²
- Powierzchnia zabudowy 292.83 m²
- Kubatura 1134.13 m³
- Kąt nachylenia dachu 45.00°
- Powierzchnia dachu 417.00 m²
- Wysokość budynku 8.80 m
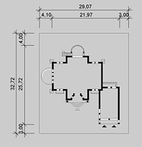
- Min. wymiary działki 29.07x32.72 m
- Garaż 34.80 m²
- Pracownia LK & Projekt
Technologia budowy
- Ławy fundamentowe: żelbetowe
- Ściany fundamentowe: betonowe
- Ściany zewnętrzne: z cegły kratówki gr.25 cm, styropianu gr.10 cm oraz cegły kratówki o gr.12 cm
- Ściany wewnętrzne: z cegły kratówki gr. 40, 47 cm
- Strop: żelbetowy
- Konstrukcja dachu: drewniana docieplona wełną mineralną gr. 15 cm
- Pokrycie dachu: dachówką ceramiczną
- Elewacje: wykończone tynkiem mineralnym, cokoły obłożone płytkami ceramicznymi
- Okna i drzwi balkonowe: drewniane
- Sposób ogrzewania: kocioł na gaz
- Wentylacja: grawitacyjna
- Koszt orientacyjny (bez Vat): 683 904.00 zł.
Opis
Dom jednorodzinny, parterowy z poddaszem użytkowym oraz częściowym podpiwniczeniem, garażem dwustanowiskowym.
Rzuty
PIWNICA
Piwnica
1. Kotłownia 16.00m
2. Schowek 1.19m
3. Pralnia 11.13m
4. Pomieszczenie gospodarcze 16.00m
5. Korytarz
7.33m
PARTER
Parter
1. Sień 2.50m
2. Garderoba 9.18m
3. Łazienka 6.66m
4. Przedpokój 11.78m
5. Kuchnia 16.00m
6. Jadalnia 16.28m
7. Pokój dzienny 39.60m
8. Gabinet 16.28m
9. Sypialnia 16.00m
10. Oranżeria 11.46m
11. Pomieszczenie gospodarcze 19.58m
12. Garaż 34.80m
PODDASZE
Poddasze
1. Przedpokój (20.46) 18.66m
2. Pustka nad hallem m
3. Garderoba (11.48) 10.94m
4. Łazienka (16.00) 11.05m
5. Sypialnia (16.28) 11.27m
6. Sypialnia 2 (46.35) 34.32m
7. Sypialnia 3 (16.00) 11.05m
Rzuty
PIWNICA
Piwnica
1. Kotłownia 16.00m
2. Schowek 1.19m
3. Pralnia 11.13m
4. Pomieszczenie gospodarcze 16.00m
5. Korytarz
7.33m
PARTER
Parter
1. Sień 2.50m
2. Garderoba 9.18m
3. Łazienka 6.66m
4. Przedpokój 11.78m
5. Kuchnia 16.00m
6. Jadalnia 16.28m
7. Pokój dzienny 39.60m
8. Gabinet 16.28m
9. Sypialnia 16.00m
10. Oranżeria 11.46m
11. Pomieszczenie gospodarcze 19.58m
12. Garaż 34.80m
PODDASZE
Poddasze
1. Przedpokój (20.46) 18.66m
2. Pustka nad hallem m
3. Garderoba (11.48) 10.94m
4. Łazienka (16.00) 11.05m
5. Sypialnia (16.28) 11.27m
6. Sypialnia 2 (46.35) 34.32m
7. Sypialnia 3 (16.00) 11.05m
Dbamy o swoich Klientów, jak nikt inny!
Do każdego projektu zakupionego za pośrednictwem serwisu kreoDOM.pl otrzymasz książeczkę z rabatami na zakupy w firmach Komfort, Fachowiec, Domino Łazienki, Komandor, Witek Home i innych. Książeczka na pewno okaże się przydatna podczas urządzania Twojego wymarzonego domu!
Książeczka z rabatami do takich firm jak: Komfort, Domino Łazienki, Fachowiec, Vox, Komandor, Witek Home i innych
Gwarancja
bezpiecznych zakupów
Dodatkowe pakiety projektowe
- Kosztorys inwestorski cena ustalana indywidualnie
- Kolektory słoneczne cena ustalana indywidualnie
- Kominek z DGP cena ustalana indywidualnie
- Wentylacja mechaniczna z rekuperacją cena ustalana indywidualnie
- Pompa ciepła cena ustalana indywidualnie